Звоните с 9.00 до 18.00
Ваш город: Екатеринбург
Ваш город Екатеринбург?

Смеситель для кухни Santek Риф WH5A41025AP01 сталь матовая

Арт.: 54235914854k
4 510 руб. за штуку
В наличии
Доставка
Вес
1,72 кг
Размеры
43,7 × 24 × 5,4 см
Цвет
Сатин
Фильтрация воды
Нет
Тип управления
Рычажный
Тип излива
Высокий
С ручной лейкой
Нет
Производитель
Поделиться
4 510 руб. за штуку
В наличии
Доставка
Описание

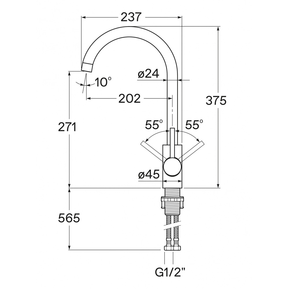
Элегантный кухонный смеситель Santek Риф WH5A41025AP01 — это сочетание современного дизайна и надёжности. Изготовлен из высококачественной нержавеющей стали SUS304 с матовой сатиновой отделкой, которая устойчива к царапинам и отпечаткам пальцев.

Особенностью модели является U-образный поворотный излив, обеспечивающий оптимальный угол наклона для комфортного использования. 

Внутри установлен надёжный керамический картридж диаметром 35 мм, обеспечивающий плавную и точную регулировку температуры и напора воды. Антибрызговый аэратор создаёт ровный и мягкий поток воды без разбрызгивания.

Смеситель оснащён усиленной гибкой подводкой PEX в стальной оплётке длиной 60 см. Подключение осуществляется через стандартное соединение G1/2". Монтаж производится на одно отверстие (диаметр 33–35 мм) с помощью двух винтов.

Характеристики
Цвет
Сатин
Фильтрация воды
Нет
Тип управления
Рычажный
Тип излива
Высокий
С ручной лейкой
Нет
Материал корпуса
Нержавеющая сталь
Интерьерный
Нет
Длина излива, мм
202
Гарантийный срок
60 месяцев
Высота смесителя, мм
375
Вид установки
На раковину и столешницу
Высота излива, см
27.1
Диаметр картриджа
35
С душевым набором
Нет
Диаметр подключения
1/2"
Тип смесителя
Поворотный
Применение
Для кухни
Выдвижной излив
Нет
Вес
1,72 кг
Размеры
43,7 × 24 × 5,4 см
Для клиентов всех банков

Разбейте
оплату
на части
без переплат

График платежей

Сегодня
25%
  • Добавляйте товары
    в корзину

  • Оплачивайте сегодня только
    25% картой любого банка

  • Получайте товар
    выбранный способом

  • Оставшиеся 75% будут
    списываться
    с вашей карты
    по 25% каждые 2 недели

Подробнее
об оплате Плайтом
Что такое оплата Плайт?
Это короткая мгновенная беспроцентная рассрочка. Вы оплачиваете сразу только 25%, а оставшиеся части будут списываться автоматически с привязанной карты раз в 2 недели по графику.
Есть ли переплата?
Нет. Вы ничего не переплачиваете. Нет никаких скрытых комиссий.
Это кредит?
Нет, это не кредит. Кредитный договор не оформляется.
Как будут списывать деньги за оставшиеся части?
Всё работает также как в сервисах подписки, например, Яндекс.Музыка или ivi. Вы делаете первый платёж, а дальше с вашей карты списываются средства один  раз в 2 недели.